1、螺杆料筒 INJECTION UNIT
- 针对复杂的果筐原料,研制出特殊结构的全硬合金螺杆料筒,大大提高了熔胶速度和使用寿命。
- A special structured all hard alloy screw barrel has been developed for complex fruit basket raw materials, greatly improving the speed and service life of melt adhesive.
2、液压系统 HYDRAULIC UNIT
- 配备专用的熔胶马达,提高熔胶速度以及产品成型的稳定性。
- 采用大通径的油路系统,响应速度更快。
- 采用世界知名品牌的液压元件,运行更稳定,控制更精准。
- Equipped with a dedicated melt adhesive motor to improve the speed of melt adhesive and the stability of product molding.
- Adopting alarge-diameter oil system, the response speed is faster.
- Using hydraulic components from word-renowned brands, the operation is more stable and the control is more precise

3、锁模机构 CLAMPING UNIT
- 采用高速机的设计理念,优化并加强了锁模、射台、机身的刚性和强度,使机器运行更稳定,寿命更长。
- 加大移模行程和拉杆内距,更加适合深腔类果蔬筐、水产等产品。
- Adopting the design concept of high-speed machines, the rigidity and strength ofthe locking mold, shooting platform, and body have been optimized and strengthened, making the machine operate more stably and have a longer lifespan.
- Increasing the mold transfer stroke and the inner distance of the pull rod is more suitable for products such as deep cavity fruit and vegetable baskets and aquatic baskets.
4、动力系统 INJECTION UNIT
- 升级了动力系统,给整机提供强劲的动力,大大提升了机器运行速度,缩短了生产周期。
- Upgraded the power system to provide strong power to the entire machine, greatly improving its operating speed and shortening the production cycle.













该型号注塑机按材料1.1比重计算,机器总重指含油及机器辅助设备的重量
This model of injection molding machine is calculated based on a material density of 1.1. The gross weight of the machine contains oil and the weight of the auxiliary equipment on the machine edge
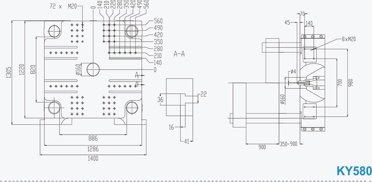
因设计更新,以上图文与参数有变动,恕不另行通知。
Due to design updates, there may be changes to the above graphics and parameters without prior notice.